|
 |
| 大野公司生產的新型波紋型石油儲罐阻火器(防爆阻火器)是完全引用日本同類產品的先進技術,并且按照中國國內實際情況而設計生產的更新換代產品,是石油儲罐必備的安全設備。 |
|
1、結構合理、用材考究,重量輕、易檢修、安全方便。
2、阻火層采用不銹鋼材料,耐腐蝕性強。 |
|
1、阻爆性能合格,連續幾十次實驗,每次都能阻火。
2、耐燒性能合格,耐燒一小時無回火。
3、水壓實驗合格,承受0.6MPa水壓無泄露。 |
|
1、新型石油儲罐阻火器適用于儲存閃點低于28°C的甲類油品和閃點低于60°C的乙類油品,如汽油、苯、甲苯、煤油、輕柴油、原油等油品的儲罐。新型石油儲罐阻火器可與呼吸閥配套使用,也可單獨使用。
2、內浮頂油罐的通氣管口上。
3、加油站的地下油罐的通氣管口上。 |
|
|
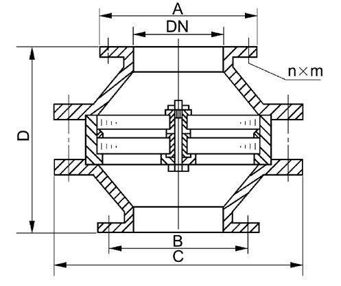
規 格 |
A |
B |
C |
D |
|
DN 50 |
Φ140 |
Φ110 |
Φ220 |
236 |
|
DN 80 |
Φ190 |
Φ150 |
Φ280 |
270 |
|
DN 100 |
Φ210 |
Φ170 |
Φ325 |
274 |
|
DN 150 |
Φ265 |
Φ225 |
Φ427 |
288 |
|
DN 200 |
Φ320 |
Φ280 |
Φ496 |
306 |
|
DN 250 |
Φ375 |
Φ335 |
Φ593 |
320 |
|
|
|
|
|
|
為了確保石油儲罐阻火器的阻火性能達到安全使用的目的,應對阻火器進行定期檢查。
1、阻火器每半年至少檢查一次,檢查阻火層是否堵塞、變形、腐蝕等。
2、被堵塞的阻火層應清洗干凈,保證阻火層上的每個孔眼暢通。對于變形或腐蝕的阻火層應立即更換。
3、重新安裝阻火層時,應保證結合面嚴密,不的漏氣。
4、檢查阻火層時不需要拆卸呼吸閥,如圖所示,即可取出阻火層檢查。 |
| |